找回密码
 立即注册

QQ登录

只需一步,快速开始

搜索
查看: 664|回复: 13

分享一款国产大齿轮箱

[复制链接]

3

主题

12

回帖

8

积分

初入机械村

UID
82702
机械币
0
阅读权限
10
发表于 2025-11-15 16:10:27 | 显示全部楼层 |阅读模式
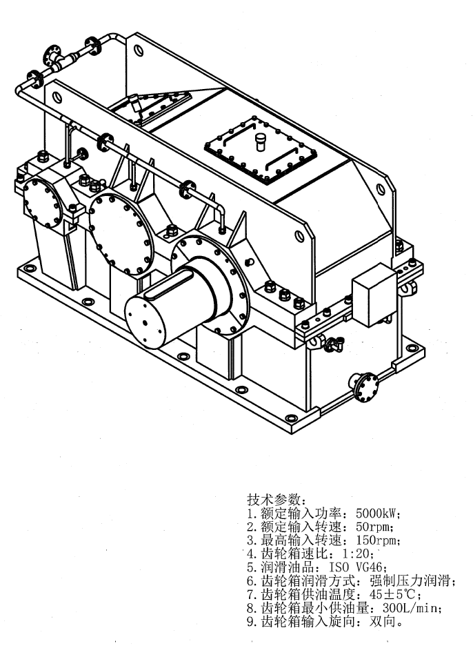
技术参数:
1.额定输入功率:5000kW;
2.额定输入转速:50rpm;
3.最高输入转速:150rpm;
4.齿轮箱速比:1:20;
5.润滑油品:ISO VG46:
6.齿轮箱润滑方式:强制压力润滑;
7.齿轮箱供油温度:45+5℃;
8.齿轮箱最小供油量:300L/min;
9.齿轮箱输入旋向:双向。
微信图片_2025-11-15_160725_282.png

54

主题

3317

回帖

5028

积分

机械工程师

UID
71447
机械币
3342
阅读权限
40

活跃会员

发表于 2025-11-15 21:57:59 | 显示全部楼层
齿轮规格还是不小呀,功率500KW,
从图片看来还是不错的。

3

主题

1157

回帖

1375

积分

机械操作工

UID
82025
机械币
795
阅读权限
20
发表于 2025-11-16 08:55:19 | 显示全部楼层
功率真是不小,5000kW减速器用在什么地方,中频电炉:用于自动倾倒浇注作业,需耐高温并精确控制转速。

0

主题

83

回帖

187

积分

初入机械村

UID
82651
机械币
145
阅读权限
10
发表于 2025-11-18 08:11:42 | 显示全部楼层
5000KW,规模不小啊                     

1

主题

242

回帖

586

积分

机械操作工

UID
52633
机械币
464
阅读权限
20
发表于 2025-11-25 07:47:40 | 显示全部楼层

6

主题

178

回帖

347

积分

初入机械村

UID
82742
机械币
255
阅读权限
10

最佳新人活跃会员

发表于 2025-11-30 08:22:23 | 显示全部楼层
规模不小,动力十足

0

主题

3

回帖

4

积分

防灌水审核

UID
82943
机械币
2
阅读权限
10
发表于 2025-12-26 12:50:55 | 显示全部楼层

0

主题

3

回帖

4

积分

防灌水审核

UID
82943
机械币
2
阅读权限
10
发表于 2025-12-26 12:51:51 | 显示全部楼层

2

主题

153

回帖

169

积分

初入机械村

UID
82797
机械币
91
阅读权限
10

最佳新人天蝎座马活跃会员辽宁地区勋章夜猫子龙牛猪鸡虎天秤座白羊座摩羯座吉林地区勋章宁夏地区勋章

发表于 2025-12-26 16:12:04 | 显示全部楼层

57

主题

892

回帖

1535

积分

机械操作工

UID
49282
机械币
1060
阅读权限
20

活跃会员

发表于 2026-1-7 14:08:58 | 显示全部楼层
哪上面用的?功率那么大。
您需要登录后才可以回帖 登录 | 立即注册

本版积分规则

手机版|小黑屋|机械村 ( 渝ICP备17010994号-1|渝公网安备50022702001048号 )

GMT+8, 2026-3-4 21:26 , Processed in 0.077506 second(s), 23 queries .

Powered by 机械村

Copyright © 2012- Jixiecun.com

快速回复 返回顶部 返回列表